● Suitable for angle grinding on grinder.
● Rotary shaft with graduation makes it easy to grind at any angle.
● Unchanged surface accuracy during ON-OFF change over.
● Integrated molding of machine body and rotary spindle.
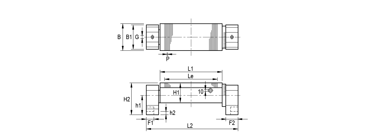
unit:mm
| Order No. | Model | Face Plate | Pole Pitch | Rotary Base | Length | Height | Weight (kg) | ||||||||
| B | L1 | Le | H1 | P | B1 | F1 | F2 | G | hi | h2 | L2 | H2 | |||
| 34051-05 | ERTW-1018U | 100 | 175 | 125 | 78 | 2(1+1) | 100 | 50 | 25 | 14 | 103 | 50 | 293 | 145 | 21.5 |
| 34051-10 | ERTW-1325U | 125 | 250 | 200 | 78 | 2(1+1) | 100 | 50 | 25 | 14 | 103 | 50 | 368 | 145 | 31 |
| 34051-15 | ERTW-1530U | 150 | 300 | 246 | 78 | 2(1+1) | 100 | 50 | 25 | 14 | 103 | 50 | 418 | 145 | 39 |
| 34051-20 | ERTW-1535U | 150 | 350 | 296 | 78 | 2(1+1) | 100 | 50 | 25 | 14 | 103 | 50 | 468 | 145 | 44 |
| 34051-25 | ERTW-1545U | 150 | 450 | 396 | 78 | 2(1+1) | 100 | 50 | 25 | 14 | 103 | 50 | 568 | 145 | 54 |